(SS610BL-SMB) SS610BL/SS615BL/SS68BL/SS66BL/SS64BL ASEMI低压肖特基二极管
  • 型 号SS610BL

    品 牌ASEMI

    封 装SMB

    特 性小电流、低压降

  • 正向电流
    (lo)
    反向耐压
    VRRM
    芯片材质
    Chip Material
    芯片个数
    Chip Number
    漏电流
    (lr)
    操作温度
    Temperature
    6A 50V~1000V 金属&硅芯片 1 ≤5ua -50℃~150℃
    正向电压
    (VF)
    浪涌电流
    IFSM
    芯片尺寸
    Chip Size
    引线数量
    Lead Number
    恢复时间
    (Trr)
    包装方式
    Package
    0.4V~0.65V 150A 84MIL 2 5NS 3000/盘 30K/箱

    采用玻封GPP工艺芯片,密封性可靠性好,防止电性出现衰降情况

    采用镭射激光打标,不易褪色防止翻新;环氧塑脂塑封稳定性好

    采用无氧铜框架引脚,镀亮锡防止氧化不上锡、内阻小导电性好

    采用5层大瓦楞牛皮纸箱,4道禁锢带保护,耐压耐磨可重复利用

    内盒采用防潮塑膜保护,方便仓库长期存贮,上机易上锡易焊接

    采购热线:

    400-9929-667

    视频解说/ VIDEO

    产品参数详解/ PRODUCT PARAMETERS

    视频内容详解:

    ASEMI品牌MB6S,系列产品MDB06S、B6S,环保进口芯片,出口品质,供应MB6F,全国服务热线:400-9929-667,本产品采用玻峰GPP芯片,参数离散性一致,品质高稳定性和可靠性。欢迎咨询 取样测试。

    视频内容详解:

    ASEMI品牌MB6S,系列产品MDB06S、B6S,环保进口芯片,出口品质,供应MB6F,全国服务热线:400-9929-667,本产品采用玻峰GPP芯片,参数离散性一致,品质高稳定性和可靠性。欢迎咨询 取样测试。

    SS610BL

    产品细节/ DETAIL

    SS610BL

    采用玻封GPP工艺芯片,密封性可靠性好,防电性衰降

    ss610bl

    镭射激光打标,不易褪色;环氧树脂塑封,绝缘稳定性好

    SMB-3

    框架引脚采用无氧铜材料,内阻小导电性好,镀锡防氧化

    S1MBF 6小图4

    独立小包装,防止物料积压碰撞刮花,产品信息标注明确

    5层大瓦楞牛皮纸箱,4道紧固带保护,耐压耐磨可重复利用

    S1MBF 6小图5

    3层小瓦楞内盒+防潮塑膜保护,方便存贮,上机易上锡焊接

    产品详解/ DESVRIPTION

    ss610bl
    ss610bl
    激光印字 / GREEN LASER PRINTER

    ●镭射激光打标,不易退色,解决易掉色困扰,防止翻新与冒牌问题

    ●生产效率高,订单交期快,解决货期长,生产低效率问题

    外壳封装 / ADVANCED PLASTIC PACKAGING

    ●采用环氧树脂材料一次性注塑成型,边角无毛刺

    ●环氧树脂阻燃性能好,强度高,耐高温,外力冲击不易裂

    引脚 /  OXYGEN-FREE COPPER PINS

    ●采用无氧铜材料,镀亮锡,防止氧化,易上锡易焊接

    ●内阻小导电性好,承受大电流冲击发热小

    “ASEMI”品牌的LOGO

    A = advanced(先进)

    SEMI = semiconductor (半导体)

    【极性符合标识】

    【正负交流脚位指示】

    【物料生产批次批号】

    型号解析/Model analysis

    ●【SS610BL】代表本产品的完整型号

    ●【L】表示低压降肖特基二极管

    ●【6】代表其正向电流为6A

    ●【10】代表其反向耐压为100V

    ●【 B 】代表SMB封装


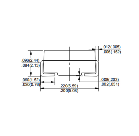
    产品尺寸/ SIZE

    S1MB-1
  • 总长度 :

    3.96mm
  • 宽度 :

    4.7mm
  • 脚长度 :

    2.11mm
  • 本体长度:

    4.27mm
  • S1MB-2
  • 本体厚度:

    2.44mm
  • 总长:

    5.59mm
  • 引脚宽度:

    0.12mm

  • 台湾工艺/ PROCESS

    产品

    持续稳定

    产品持续稳定

    采用GPP玻封芯片,产品持续稳定

    产品

    数量准确

    产品数量准确

    严格的外检包装程序,产品数量准确,包装无破损

    注塑

    一步成型

    注塑一步成型

    自动化设备支持注塑一步成型

    经过

    6道质检

    经过6道质检

    检测Vb、Io、If、Vf、Ir等12个参数经过6道检测,△V控制在80V以内,提高4颗芯片的一致性和可靠性

    完善

    人际交互

    完善人际交互

    分筋,切割,分离,完善的人际交互流程

    产品PK/ PRODUCT PK

    ASEMI GPP PK 10  ASEMI GPP PK 11

    ASEMI采用84MIL; 玻封GPP芯片,参数一致性好,输出稳定

    某些采用76MIL; 长时间工作发热严重,容易炸机等品质不良

    SS610BL 易氧化-4通用PK 副本

    ASEMI采用镭射激光打标方式,耐洗板水的腐蚀,丝印不易掉色

    普通油墨丝印容易掉字,污染电路板,存在恶意翻新,贴牌等不良隐患

    S5MB 无氧铜-4

    ASEMI采用无氧铜材料,导电性好,镀锡层,保存简单,防氧化易焊接

    用普通铜框架材料或铁质引脚,易造成引脚氧化,不上机虚焊脱焊,阻抗大

    ASEMI 设备PK 1 设备精度低Y-5

    ASEMI工厂采用健鼎与冠魁专用设备,同时检测18项关键电性数据

    普通生产设备精度低,电性参数检测不严格,质量参差不齐一致性差

    应用领域/ APPLICATION

    SS610BL
  • 正向电流

    6A
  • 反向耐压

    50V~1000V
  • 浪涌电流

    150A
  • 漏电流

    ≤5ua
  • 操作温度

    -50℃~150℃
  • 合作伙伴/ PARTNER

    联系我们/ CONTACT US

    台湾ASEMI品牌(SS610BL-SMB) SS610BL/SS615BL/SS68BL/SS66BL/SS64BL ASEMI低压肖特基二极管

    SS610BL的电性参数:最大正向平均电流6A;最大反向峰值电压100V

    SS610BL的包装方式:2K/盘,10K/盒,100K/箱

    肖特基二极管被广泛适用于:电源、充电器、适配器、LED灯饰、大小家电、民用及工业设备等产品中使用

    欢迎咨询 取样测试

    销售一部:0755-83235680

    销售二部:0755-83239557

    销售三部:0755-83239588

    海外销售部:(+86)0755-83231856

    24小时值班电话:15112282007

    400电话:400-9929-667

    邮箱:sales@asemi88.com

    传真:0755-83979773